您好,欢迎进入河南省中原糖心视频在线看实业有限公司官方网站!

与时俱进,诚赢客户

糖心VLOG网页版、提梁机、门式糖心视频免费看机生产厂家

服务电话:13782575673

技术资料

您现在所在位置:首页>>技术资料>>32/5吨、50/10吨双梁吊钩桥式糖心视频免费看机性能参数

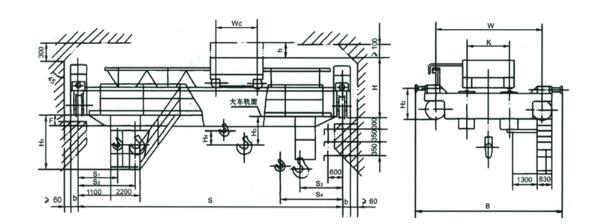
32/5吨、50/10吨双梁吊钩桥式糖心视频免费看机性能参数

本文链接:http://www.mserw.com/jszc/1396.html   发布时间:2022-01-24 11:31:50  点击量:2027

  双梁吊钩桥式糖心视频免费看机是双梁方式的桥式糖心视频免费看机,32/5吨及50/10吨二种规格型号是双梁桥式糖心视频免费看设备常见的二种吨数,适用于生产车间、库房等房间内场所吊装商品、物品等,我为各位详细介绍下32/5吨及50/10吨双梁糖心视频免费看吊钩桥式糖心视频免费看机性能参数。

  32/5吨、50/10吨双梁吊钩桥式糖心视频免费看机结构图

32/5吨、50/10吨双梁吊钩桥式糖心视频免费看机结构图

  32/5吨、50/10吨双梁吊钩桥式糖心视频免费看机参数图

32/5吨、50/10吨双梁吊钩桥式糖心视频免费看机参数图

文章聚合页面: 糖心视频免费看机参数 糖心视频免费看机结构 吊钩 32吨双梁糖心视频免费看机 50吨双梁糖心视频免费看机

技术资料

联系糖心视频在线看

CONTACT US

联系人:徐经理

手机:13782575673

电话:0373-8611375

邮箱:hnzyaqqz@126.com

官网:www.mserw.com

地址:河南长垣糖心视频免费看工业园区华豫大道中段

网站地图